为您点亮工业自动化4.0的视觉之路
全国服务热线:
0755-85201707
网站首页
公司介绍
产品中心
应用案例
新闻资讯
公司招聘
联系我们
热门关键词:
产品中心
视觉光源
标准视觉光源
非标定制光源
光源控制器
工业相机
德国Basler工业相机
德国AVT工业相机
海康Gig工业相机
VGA-HDMI相机
自主品牌工业相机
工业镜头
日本Moritex工业镜头
日本computar工业镜头
自主品牌工业镜头
视觉配件
热门产品
PFP底部平行背光源
PCC多色同轴光源
PC同轴光源
PF底部背光源
PLR条形组合光源
PFC侧部背光源
光源控制器
当前位置:
首页
>
产品中心
>
光源控制器
>
PAPM-Mini-5V模拟控制器
产品概述
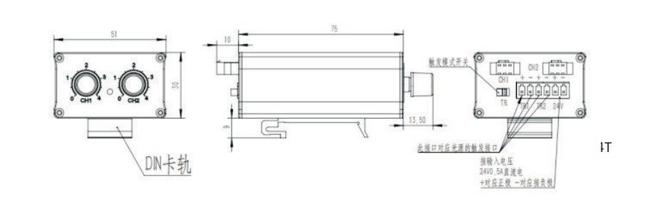
◆ 体积小,重量轻,安装灵活方便,螺丝安装。
◆ 输入DC20-24V可以方便使用机台上的直流电源。
◆ 手动旋钮亮度控制。
◆ 外部触发输入:将外部信号,如相机的触发信号输入 至控制器触发端口,可以使光源进行频闪工作,从而 有效延长光源的使用寿命。
产品介绍/参数
产品型号:
产品参数表
尺寸图
上一篇:
PAP-5V模拟控制器
下一篇:
PAPM-Mini-24V模拟控制器
同类最新
PAP-模拟大功率电流控制器
PAP-24V模拟控制器
PAPM-Mini-5V模拟控制器
PDP-24V数字控制器
推荐产品
PCC多色同轴光源
PLSW无风扇线光源
PDP-5V24V一体式数字控制器
PAP-模拟大功率电流控制器
N
ews
相关资讯
MORE
T
echnical
相关资料
MORE